您好,欢迎来到山东元星电子有限公司网站!

PRODUCT

产品中心

微型电压互感器

微型电流互感器

600V低压电流互感器

钳形电流互感器

开口电流互感器

高精度电流电压互感器

高压设备绝缘监测

电流取电装置

磁阻式旋转变压器

霍尔传感器

三端隔离放大器

负荷控制终端用互感器

零序(剩余)电流互感器

配电线路故障指示器

无线电力故障指示器

罗氏线圈

电子式互感器

柱上开关/柜体用电流互感器

WTS3000电气设备无线测温系统

高频电流传感器

10-35KV电流电压互感器

一二次融合用互感器

JDG4-1.14 电压互感器

数字量传感器

绿色产品专区

CONTACT

联系我们

电话: 0533-3818721

  0533-3818722

传真:0533-3818724

邮箱:sales@yuanxing.net

地址:山东省淄博市张店区齐新大道39号

名称
初级穿心式PCB安装电流互感器
特点

 ● 低价格

 ● 20余种规格尺寸

 ● 非对称PCB安装模式

 ● 环形硅钢或坡莫合金磁芯可选

应用

 ● 硅钢磁芯适用于中等精度、低成本的要求,电流测量和电流继电器.

 ● 坡莫合金磁芯适用于高精度、小相位误差的要求,用于电流、功率和电能监测设备,成本相对较高.

说明

 ● 内部绝缘:环氧树脂灌封

 ● 介质强度:2500V/min

 ● 绝缘电阻:1000 M Ohms @ 500 Vdc

 ● 冲击电压:5000V(1.2/50μs标准雷电波)

 ● 工作温度:-25 to +55℃,-40 to +85℃可选

 ● 工作频率:50 to 400 Hz 

 ● 精度等级:符合IEC 61869-2 电流互感器0.1、0.2、0.5级

 ● 环保:符合RoHS环保要求

 ● 认证:符合CE要求

 

询价规格表

 

典型产品
照片 型号 额定
输入
(A)
匝比 频率
(Hz)
次级负载
(Ohms)
精度
等级
外形尺寸
(mm)
pdf
TA21A11.jpg TA21A11 5–50 1000:1
2000:1
2500:1
3000:1
50 to 400 ≤200 0.1
0.2
0.5
ID-L-W-H
6.7-23.8-11.6-25.0
TA21B11.jpg TA21B11 5–50 ≤200 0.1
0.2
0.5
ID-L-W-H
6.7-23.5-11.5-25.0
TA21C11.jpg TA21C11 5–15 1000:1
2000:1
50 to 400 ≤50 0.2
0.5
ID-L-W-H
4.5-18.0-10.0-20.0
TA21CA11.jpg TA21CA11 1000:1
2000:1
2500:1
≤300 ID-L-W-H
4.5-19.0-12.5-19.0
TA21E11.jpg TA21E11 5–20 50 to 400 ≤200

0.1
0.2
0.5

ID-L-W-H
5-21-13.5-21.5
TA21F11.jpg TA21F11 5–30

1000:1
2000:1
2500:1
3000:1

≤200 0.2
0.5
ID-L-W-H
6.7-23.9-12-25
TA22B11.jpg TA22B11 5–80 1000:1
1500:1
2000:1
2500:1
3000:1
50 to 400 ≤800 0.1
0.2
0.5
ID-L-W-H
8.7-26-17.5-27.5
TA22D11.jpg TA22D11 5–100 ≤1000 0.1
0.2
0.5

ID-L-W-H
9.0-29.5-19.0-30

TA22E11.jpg TA22E11 5–100 ≤1000 0.1
0.2
0.5
ID-L-W-H
12.8-36.7-14.2-38.5
TA2311.jpg TA2311 5–20 1000:1
2000:1
50 to 400 ≤200 0.1
0.2
ID-L-W-H
5.0-18.8-17.8-19.5
TA23D11.jpg TA23D11 5–20 1000:1
2000:1
≤300 0.1
0.2
ID-L-W-H
5.4-23.0-18.0-23.5
TA23B11.jpg TA23B11 5–80 1000:1
2000:1
2500:1
3000:1
5000:1
≤100 0.1
0.2
0.5
ID-L-W-H
6.0-25.0-21.5-26.0
TA23A11.jpg TA23A11 5–100 ≤1000

0.1
0.2
0.5

ID-L-W-H
6.0-34.0-22.0-36.0
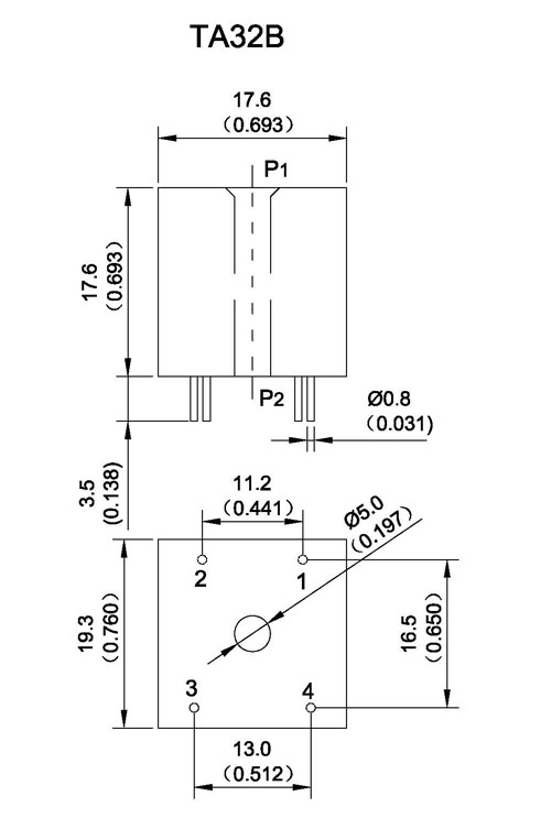
1501814395412803.jpg TA32B11 5–20 1000:1
2000:1
2500:1
   
50 to 400 ≤100 0.1
0.2
ID-L-W-H
5-17.6-19.3-17.6
TA3311.jpg TA3311 5–80 1000:1
1500:1
2000:1
2500:1
3000:1
≤1000 0.1
0.2
0.5
ID-L-W-H
6.0-28.0-28.0-22.0
TA3411.jpg TA3411 5–100 ≤1000 0.1
0.2
0.5
ID-L-W-H
5.5-34.0-34.0-23.0

 

关于我们

公司简介

公司历史

产品中心
微型电压互感器微型电流互感器600V低压电流互感器钳形电流互感器开口电流互感器高精度电流电压互感器高压设备绝缘监测电流取电装置霍尔传感器三端隔离放大器负荷控制终端用互感器零序(剩余)电流互感器配电线路故障指示器无线电力故障指示器罗氏线圈电子式互感器柱上开关/柜体用电流互感器WTS3000电气设备无线测温系统高频电流传感器一二次融合用互感器10-35KV电流电压互感器JDG4-1.14 电压互感器数字量传感器磁阻式旋转变压器绿色产品专区
研发与设计

研发与设计

质量与环境

测试和质量控制

ISO9001:2015认证

UL/CSA/CE认证

环境管理和职业健康安全

电力物联网智能传感设备技术改造项目

联系我们

地址:山东省淄博市张店区齐新大道39号

电话:0533-3818721/722/723

销售服务:0086-533-381-8721/8722

邮箱:sales @yuanxing.net QQ:1601300942

合作伙伴

山东富澳电力设备有限公司

山东安亚电子信息有限公司

Copyright 2019 山东元星电子有限公司   鲁ICP备2021006427号-2